
1mm DIA.
27.5mm Deep.
Fit conduit tube DIA 20mm.
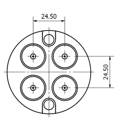
Fixing Centres 50.8mm and fitted with M4 brass inserts.
Durable and impact resistant.
Screws not included.
The EN400C is a PVC conduit housing
box for use with Prolojik PS4xxC
version sensors.



1mm DIA.
27.5mm Deep.
Fit conduit tube DIA 20mm.
Fixing Centres 50.8mm and fitted with M4 brass inserts.
Durable and impact resistant.
Screws not included.